巅峰国际官网-为热爱加冕,与强者同行 为客户提供PPH蝶阀,在PPH蝶阀的特性、用途、规格上面做详细的说明与介绍,为您选购适合自己的PPH蝶阀产品做一定的指导。 要问PPH蝶阀哪里好,欢迎莅临巅峰国际官网-为热爱加冕,与强者同行 参观访问。

PPH蝶阀阀体重量轻、耐腐蚀性强外型结构紧凑美观本体重量轻容易安装耐腐蚀性强,应用范围广材质卫生无毒耐磨损、容易拆卸,维护简单易行适用流体:水、空气、油类、腐蚀性化学液体例如:纯水和生饮水的管路系统、排水和污水管路系统、盐水和海水管路系统、酸碱和化学溶液系统等多个行业。

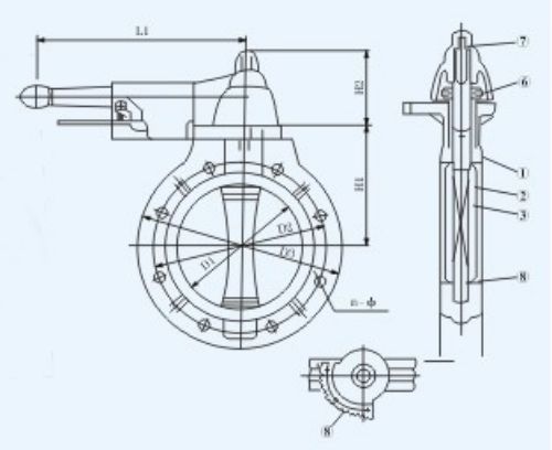
阀体形式:直通式阀体
公称通径:DN25~600mm
公称压力:PN1.0、1.6MPa
连接形式:法兰式 对夹式
密封材质:FPM、EPDM、NBR
适用温度:0~+90℃
阀体材质:UPVC、CPVC、PP
阀芯材质:UPVC、CPVC、PP、PTFE
阀板形式:蝶形(垂直板式)
流量特性:线性
《PPH蝶阀》由巅峰国际官网-为热爱加冕,与强者同行 于2019年3月14日整理发布。